20Nm Intelligent Proportional Actuator with power off return function, Electric control valve actuator 0-5V, 0-10V, 4-20mA
Specifications:Standard product data sheetHigh Speed type:Power off return type:Wiring diagrams:Dimensions:Photos:
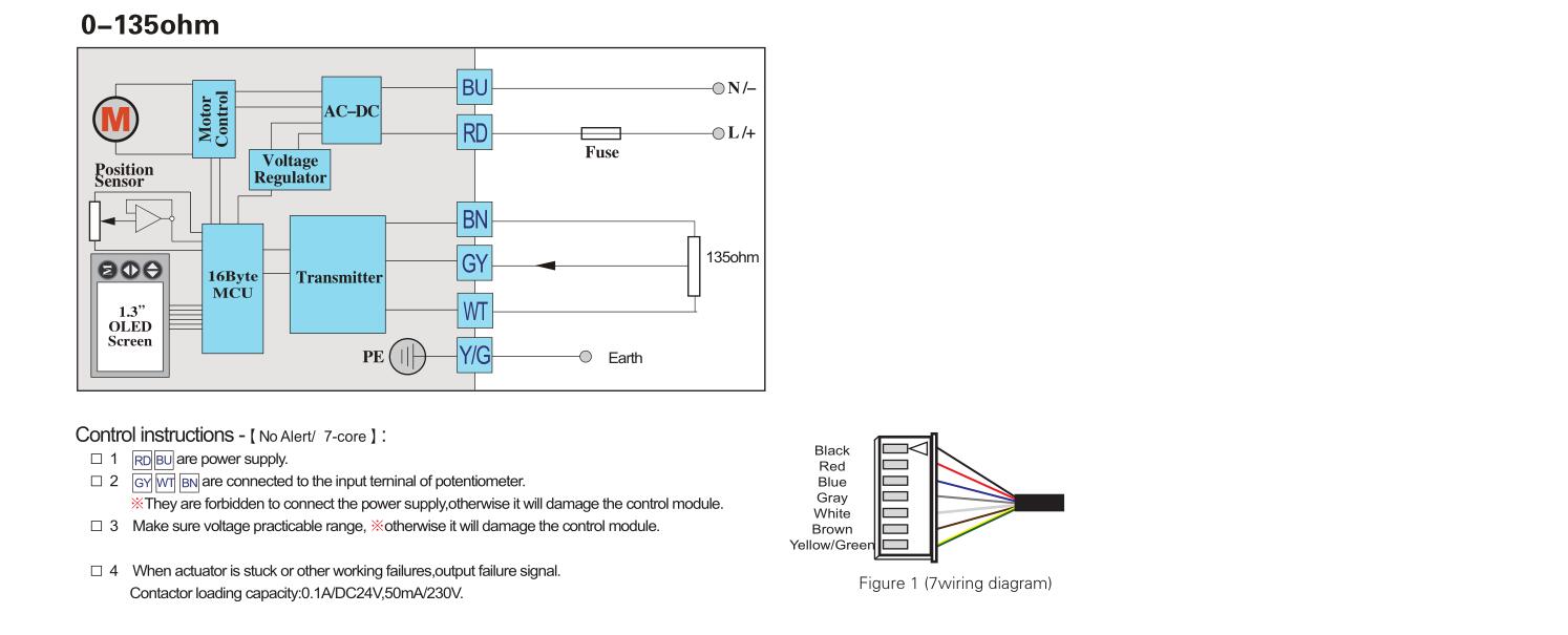
-
TF02T Series Intelligent Proportional Actuator:
Features:
1. Torque force: 20Nm
2. Power supply: AC/DC24V, AC/DC95-265V
3. Control signal: 0-5V,0-10V, 4-20mA
4. Connection standard: ISO5211 F03、F04、F05
5. Stem: 8X8MM, 11X11MM, 14X14MM
Advantages:
1. High performance brushless motor.
2. Overload protection of internal motor.
3. 100% Metal Gears inside.
4. Protection grade IP67.
5. Open angle adjustable(within 360 degree).













